Derde koplamp
F0 = koplampen
F1 = sluitlichten erbij
F2 = derde koplamp erbij

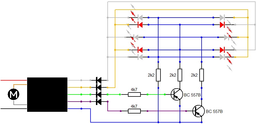
Met F0 branden de koplampen, wisselend met de rijrichting. De sluitlichten branden alleen als ook F1 aan staat. De derde koplamp brandt alleen als ook F2 aan staat. Blauw is altijd de gezamenlijke plus (niet schakelbaar), wit is de min bij vooruit rijden, geel is de min bij achteruit rijden.

De truc is hier dat blauw voor de sluitlichten alleen plus is als ook groen (F1) aan staat en blauw voor de derde koplamp alleen plus is als ook paars (F2) aan staat. Die plus is nu dus wel schakelbaar en wordt geschakeld door de betreffende transistor.

De paarse lijnen geven de onderbrekingen aan in de banen. De brede lijnen zijn draadbruggen, de smalle lijnen geven de route van de stroompjes via de printbanen aan. De weerstand rechtsonder moet ook worden verbonden met de baan daarboven. Let op de onderbreking naast de rode en de grijze aansluiting!

Je kunt de helderheid van de koplampen en de sluitlichten onafhankelijk van elkaar bepalen door de juiste weerstanden te kiezen. Witte LEDs werken op ca. 3V, rode LEDs op ca. 2V, dus dan kies je voor de rode LEDs een weerstand met een hogere waarde.

Hiervoor heb je nodig:

  • printplaat van 8 banen en 11 gaatjes
  • 4 diodes 1N4148
  • 2 weerstanden 4k7
  • 1 weerstand voor de koplampen (470 Ohm, 1k of 2k2, afhankelijk van de LEDs)
  • 1 weerstand voor de derde koplamp (470 Ohm, 1k of 2k2, afhankelijk van de LEDs)
  • 1 weerstand voor de sluitlichten (470 Ohm, 1k of 2k2, afhankelijk van de LEDs)
  • 2 transistors BC 557B
  • connector 2×4 gaatjes
  • connector 1×5 gaatjes (tenzij je de draden rechtstreeks op de print soldeert)
  • connector 1×1 gaatje voor aansluiting van de paarse draad van de decoder

F0 aan, F1 aan, F2 uit, vooruit
F0 aan, F1 aan, F2 aan, vooruit
F0 aan, F1 aan, F2 uit, achteruit
F0 aan, F1 aan, F2 aan, achteruit